Jiangsu Gongtang Chemical Equipments Co., Ltd. Jiangsu Gongtang
  • 
  • 홈
  • 회사 소개+
    • 기업 개요
    • 회사 둘러보기
    • 인증서
    • 전시회
  • 제품+
  • 서비스 지원
  • 산업
  • 사례
  • 문의, 연락처
  • 동영상
  • 홈
  • 제품
  • 유리 라이닝 저장 탱크
  • 수평 유리 라이닝 저장 탱크
수평 유리 라이닝 저장 탱크
  • 수평 유리 라이닝 저장 탱크
    플랫폼, 가드레일, 사다리가 갖춰진 수평형 유리라이닝 저장 탱크
  • 수평 유리 라이닝 저장 탱크
    대형 측면 개방형 하프 파이프 코일 유리 라이닝 저장 탱크
  • 수평 유리 라이닝 저장 탱크
    가열 증발기가 장착된 수평형 유리라이닝 저장 탱크
  • 수평 유리 라이닝 저장 탱크
    10,000L 수평형 유리라이닝 저장 탱크
  • 수평 유리 라이닝 저장 탱크
    가드레일이 있는 유리 라이닝 저장 탱크

수평 유리 라이닝 저장 탱크

부식성 또는 민감한 재료를 보관하기 위한 내식성 저장 용기

화학, 제약, 석유화학 산업에서는 시간이 지나면서 장비를 마모시킬 수 있는 강한 매체를 다루는 경우가 많아, 저장 용기 설계와 재료 선택에서 내식성이 중요한 요소로 작용합니다. 이러한 이유로, 엔지니어들이 저장 용기나 반응 용기를 선택할 때 가장 먼저 고려하는 요소 중 하나가 바로 내식성입니다. 적절한 재료를 선택하는 것은 저장 용기의 수명을 결정할 뿐만 아니라, 제품 품질과 경우에 따라 화학 반응 자체의 결과에도 영향을 미칩니다.

견적 요청, 문의

수평형 유리라이닝 저장 탱크는 부식성 물질을 저장하는 산업 환경의 까다로운 조건을 견딜 수 있도록 설계되었습니다. 쉘은 탄소강으로 만들어져 산업용으로 필요한 구조적 강도를 제공합니다. 내부에는 에나멜 층이 고온에서 강철과 융합되어 매끄럽고 화학적으로 안정적인 표면을 형성합니다. 이 에나멜 라이닝은 저장 매체가 금속과 직접 접촉하는 것을 방지하여 오염 위험을 줄이고 탱크의 수명을 연장합니다. 강도와 내식성을 결합하여, 다양한 부식성 화학물질을 안전하게 보관하면서도 안정적이며 신뢰할 수 있는 성능을 유지할 수 있습니다.

이 탱크는 50L에서 200,000L 용량까지 제작되며, 최대 설계 압력은 0.6 MPa입니다. 0 °C에서 150 °C 사이의 온도 범위 내에서 매체를 안전하게 저장할 수 있어 다양한 화학 공정의 요구를 충족합니다. 강도, 저항성, 적응성을 결합한 수평형 유리라이닝 저장 탱크는 장기간 산업용으로 신뢰할 수 있는 선택이 되었습니다.

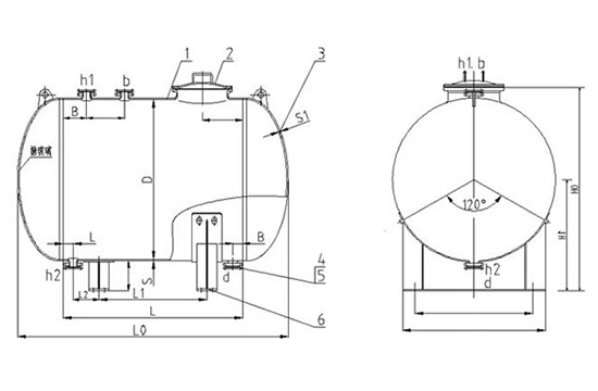
치수 도면
치수 도면
치수 도면
참고
  • 1. 탱크 본체
  • 2. 유리로 된 맨홀
  • 3. 타원형 헤드
  • 4. A형 유리라이닝 노즐
  • 5. 랩 조인트 플랜지
  • 6. 안장 지지대
수평형 유리라이닝 저장 탱크 치수, 3,000L~12,500L (mm)
Nominal volume 정격 용량 VN/L L0 L1 L2 L3 L4 H1 H A1 K1 A2 B E F A3
3000 2710 900 310 403 250 1760 1000 1350 1120 200 100 490 100 570
4000 3310 1500 310 403 250 1760 1000 1350 1120 200 100 490 120 550
5000 3265 1240 480 440 250 2080 1200 1430 1180 350 150 300 150 300
6300 4060 1740 580 440 250 1980 1200 1430 1180 350 150 600 150 600
10000 4080 1820 415 550 160 2340 1300 1780 1490 250 150 950 150 950
12500 4800 2740 470 649 260 2340 1300 1780 1490 250 150 950 150 950
노즐 사양 (mm)
Nominal volume
L
Actual volume
L
Diameter Tank Head thickness
S1
Nominal diameter of nozzles (DN) 노즐의 공칭 직경 Liquid level gauge
length ×quantity
Tank wall thickness
s
Length
L
Spare nozzle
a
Spare nozzle
b
Spare nozzle
c
Outlet nozzle
d
Liquid level gauge
e1, e2
Inlet nozzle
f
Outlet nozzle
h
Process nozzle
g
3000 3490 1450 14 1550 14 65 125 65 65 65 65 65 600 1000×1
4000 4500 1450 14 2150 14 65 125 65 65 65 65 65 600 1000×1
5000 5680 1600 16 2200 16 100 80 80 65 65 80 80 600 1200×1
6300 7100 1600 16 2900 16 100 65 65 65 65 80 80 600 1200×1
10000 10860 2000 20 2700 20 100 100 150 100 65 100 100 800 1300×1
12500 13921 2000 20 3680 20 100 100 150 100 65 100 100 800 1300×1
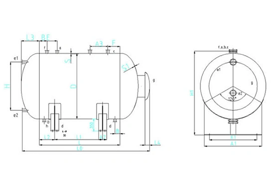
수평형 유리 라이닝 저장 탱크의 크기, 16000L-80000L
Nominal volume VN/L Actual volume V/L Diameter D Tank Head thickness S1 Nominal diameter of nozzles DN 노즐 공칭 직경 DN L0 L L1 L2 H0 H1
Wall thickness S Length L Inlet b Spare nozzle d
16000 17756 2200 20 3840 20 150 150 5080 2840 450 142 2900 1470
20000 22330 2400 22 4030 22 150 150 5374 2930 500 140 3110 1572
25000 27790 2800 24 3480 24 150 150 5028 2280 600 238 3510 1774
30000 33300 3000 26 3630 26 150 150 5282 2370 630 236 3720 1876
40000 44000 3200 28 4300 28 200 200 6060 2800 650 234 3900 1978
50000 55000 3400 30 4830 30 200 200 6690 3230 700 232 4100 2080
63000 69000 3600 32 5480 32 200 200 7440 3780 750 230 4300 2182
80000 88000 3800 34 6390 34 200 200 8460 4590 800 228 4500 2284

유리 라이닝 장비용 액세서리도 제공합니다.

유리라이닝 장비에 대한 기술 지원이 필요하신가요?

저희 엔지니어들은 화학, 제약, 산업 응용 분야를 위한 내식성 유리 라이닝 반응기, 탱크 및 맞춤형 공정 장비에 대한 전문적인 기술을 제공합니다.

  • 관련제품
  • 그외 다른 제품
수직형 유리 라이닝 저장 탱크, 개방형
수직형 유리 라이닝 저장 탱크, 개방형
수직 유리 라이닝 저장 탱크,  폐쇄형
수직 유리 라이닝 저장 탱크, 폐쇄형
수평 유리 라이닝 저장 탱크
수평 유리 라이닝 저장 탱크
유리 라이닝 기둥
유리 라이닝 기둥
유리 라이닝 열교환기
유리 라이닝 열교환기
유리 라이닝 이중 뿔 건조기
유리 라이닝 이중 뿔 건조기
더 보기

유리 라이닝 저장 탱크는 어떤 종류의 매체를 처리할 수 있으며, 어떤 물질이 적합하지 않나요?

이 탱크는 다양한 농도의 무기산, 유기산, 유기용제, 약알칼리로 인한 부식을 견딜 수 있습니다. 하지만 강알칼리, 불산, 플루오르 함유 매체, 또는 180°C 이상의 온도에서 30%를 초과하는 인산을 저장하는 데에는 적합하지 않습니다.

어떤 종류의 유리 라이닝 저장탱크가 있으며, 맞춤 제작 지원이 가능한가요?

사용 가능한 옵션에는 다양한 크기의 수평형 탱크, 개방형 수직 탱크, 폐쇄형 수직 탱크가 있습니다. 비표준 장비도 특정 프로젝트 요구 사항을 충족하도록 설계 및 제작할 수 있습니다.

개방형 수직 유리라이닝 탱크에는 어떤 재료가 사용되나요?

이 저장 탱크는 내부 유리 라이닝이 있는 강철로 만들어졌습니다. 강철은 강도와 강성을 제공하고 유리는 내식성을 제공합니다. 또한 라이닝은 화학적으로 안정적이고 중간 정도의 내열성을 가지며 청소하기 쉬운 매끄러운 표면을 만들어냅니다

수직형 유리 라이닝 탱크의 외부 및 내부 품질은 어떻게 평가됩나요?

외부 품질은 표면 결함 여부를 확인하기위해 육안 검사와 시험 장비를 통해 평가됩니다 . 내부 품질은 적절한 성형, 용접, 표면 처리와 같은 일부 제작 요소와 제조 과정의 각 단계에서 엄격한 품질 관리에 따라 결정됩니다

수평형 유리 라이닝 저장 탱크에는 어떤 옵션이 있습니까?

선택할 수 있는 옵션이 여러 가지 있습니다. 일부 탱크는 대형 측면 개구부와 하프파이프 코일 재킷이 장착되어 있으며, 플랫폼, 난간, 사다리를 추가하여 접근성을 높일 수 있습니다. 또 다른 탱크는 가열 증발기가 장착되어 있어, 온도 제어가 필요한 작업에 적합합니다.

Jiangsu Gongtang Chemical Equipments Co., Ltd. Jiangsu Gongtang
유리 라이닝 장비 제조업체
바로가기
  • 회사 소개
  • 회사 둘러보기
  • 인증서
  • 전시회
  • 서비스 지원
  • 프로젝트 사례
  • 동영상
제품
  • 유리 라이닝 반응기
  • 유리 라이닝 저장 탱크
  • 유리 라이닝 기둥
  • 유리 라이닝 열교환기
  • 유리 라이닝 이중 뿔 건조기
  • 부속 장치
  • 통합 프로세스 시스템
문의, 연락처
chrisz.jsjjgt@outlook.com
+86-523-89110022
+86-15861003636