Jiangsu Gongtang Chemical Equipments Co., Ltd. Jiangsu Gongtang
  • 
  • 홈
  • 회사 소개+
    • 기업 개요
    • 회사 둘러보기
    • 인증서
    • 전시회
  • 제품+
  • 서비스 지원
  • 산업
  • 사례
  • 문의, 연락처
  • 동영상
  • 홈
  • 제품
  • 유리 라이닝 저장 탱크
  • 수직형 유리 라이닝 저장 탱크, 개방형
수직형 유리 라이닝 저장 탱크, 개방형
  • 수직형 유리 라이닝 저장 탱크, 개방형
    비표준 유리 라이닝 평면 커버 저장 탱크
  • 수직형 유리 라이닝 저장 탱크, 개방형
    액체 수위 표시기가 있는 개방형 유리 라이닝 저장 탱크
  • 수직형 유리 라이닝 저장 탱크, 개방형
    지지대와 퀵 테두리가 있는 유리 라이닝 저장 탱크
  • 수직형 유리 라이닝 저장 탱크, 개방형
    지지 다리와 방수 테두리가 있는 소형 파일럿 규모의 개방형 유리 라이닝 저장 탱크

수직형 유리 라이닝 저장 탱크, 개방형

상부 탈착식 커버가 있는 내식성 저장 용기

개방형 수직 유리 라이닝 저장 탱크에는 탱크 직경에 맞는 용접 넥 플랜지가 장착되어 있습니다. 최대 0.6MPa의 정격 압력에 맞게 설계되었으며, 용량은 50L에서 200,000L 사이이며, 사용 온도 범위인 0에서 150°C 내에서 작동할 수 있습니다.

견적 요청, 문의

이러한 내식성 저장 용기는 강철의 강도와 유리 안감 보호 기능을 합니다. 매끄러운 내부 표면은 저장된 재료의 품질을 보존하고 금속 이온으로 인한 오염을 방지하며 화학적 및 열적 안정성을 보장합니다. 또한 탱크는 청소와 유지 관리가 용이하여 장기 운용에 적합합니다.

석유, 화학, 농약, 플라스틱, 식품, 염료, 합성 섬유 및 합성 고무 산업에서 일반적으로 사용되며, 다양한 용도로 신뢰할 수 있는 성능과 긴 수명을 제공합니다.

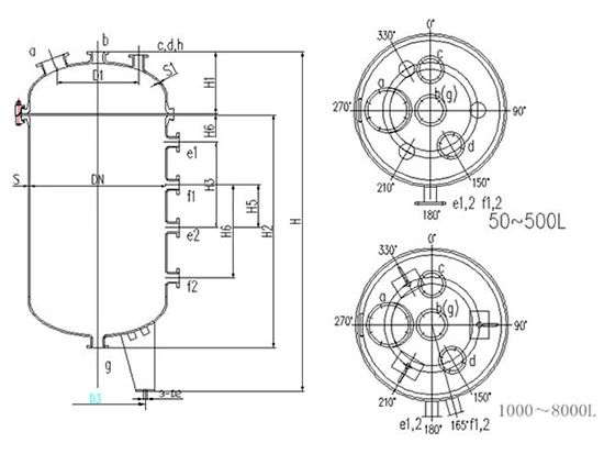
치수 도면
치수 도면
개방형 유리 라이닝 저장 탱크의 크기
정격 용량 L DN D1 D2 D3 H H1 H2 H3 H4 S H5 H6
50 500 350 20 370 835 270 465 / 160 8 / /
100 500 350 20 370 1020 265 655 / 160 8 / /
200 600 360 20 420 1615 300 965 450 150 8 / /
300 700 420 25 490 1567 345 1070 500 205 10 / /
500 800 480 25 560 1950 385 1370 800 160 10 / /
1000 1000 600 25 700 2450 430 1770 1000 200 12 / /
1500 1300 780 30 950 2410 505 1625 800 170 14 / /
2000 1300 780 25 950 2654 505 1970 1200 200 14 / /
3000 1600 960 30 1200 2565 585 1815 1000 190 16 / /
4000 1600 960 30 1200 3065 585 2315 1500 190 16 / /
5000 1600 960 30 1200 3756 585 2784 1200 189 16 450 120
6300 1750 1200 30 1250 3625 625 2800 1200 190 18 450 120
8000 2000 1400 36 1500 3935 700 3020 1200 200 20 450 120
노즐 사양 (mm)
정격 용량 L S S1 S2 a b c d e1.2 f1.2 g h
50 8 8 10 80 65 65 65 / / 65 /
100 8 8 10 80 65 65 65 65 / 65 /
200 8 8 10 125 65 65 65 65 / 65 /
300 10 10 10 125 80 65 65 65 / 80 /
500 10 10 10 150 80 80 65 65 / 80 /
1000 12 12 12 150 80 80 80 65 / 80 /
1500 14 14 12 200 100 80 80 65 / 100 80
2000 14 14 12 300×400 100 80 80 65 / 100 80
3000 16 16 12 300×400 100 80 80 65 / 100 80
4000 16 16 12 300×400 100 80 80 65 / 100 80
5000 16 16 12 300×400 125 100 100 65 65 125 100
6300 18 18 20 300×400 125 100 100 65 65 125 100
8000 20 20 20 300×400 125 100 100 65 65 125 125

유리 라이닝 장비용 액세서리도 제공합니다.

유리라이닝 장비에 대한 기술 지원이 필요하신가요?

저희 엔지니어들은 화학, 제약, 산업 응용 분야를 위한 내식성 유리 라이닝 반응기, 탱크 및 맞춤형 공정 장비에 대한 전문적인 기술을 제공합니다.

  • 관련제품
  • 그외 다른 제품
수직형 유리 라이닝 저장 탱크, 개방형
수직형 유리 라이닝 저장 탱크, 개방형
수직 유리 라이닝 저장 탱크,  폐쇄형
수직 유리 라이닝 저장 탱크, 폐쇄형
수평 유리 라이닝 저장 탱크
수평 유리 라이닝 저장 탱크
유리 라이닝 기둥
유리 라이닝 기둥
유리 라이닝 열교환기
유리 라이닝 열교환기
유리 라이닝 이중 뿔 건조기
유리 라이닝 이중 뿔 건조기
더 보기

유리 라이닝 저장 탱크는 어떤 종류의 매체를 처리할 수 있으며, 어떤 물질이 적합하지 않나요?

이 탱크는 다양한 농도의 무기산, 유기산, 유기용제, 약알칼리로 인한 부식을 견딜 수 있습니다. 하지만 강알칼리, 불산, 플루오르 함유 매체, 또는 180°C 이상의 온도에서 30%를 초과하는 인산을 저장하는 데에는 적합하지 않습니다.

어떤 종류의 유리 라이닝 저장탱크가 있으며, 맞춤 제작 지원이 가능한가요?

사용 가능한 옵션에는 다양한 크기의 수평형 탱크, 개방형 수직 탱크, 폐쇄형 수직 탱크가 있습니다. 비표준 장비도 특정 프로젝트 요구 사항을 충족하도록 설계 및 제작할 수 있습니다.

개방형 수직 유리라이닝 탱크에는 어떤 재료가 사용되나요?

이 저장 탱크는 내부 유리 라이닝이 있는 강철로 만들어졌습니다. 강철은 강도와 강성을 제공하고 유리는 내식성을 제공합니다. 또한 라이닝은 화학적으로 안정적이고 중간 정도의 내열성을 가지며 청소하기 쉬운 매끄러운 표면을 만들어냅니다

수직형 유리 라이닝 탱크의 외부 및 내부 품질은 어떻게 평가됩나요?

외부 품질은 표면 결함 여부를 확인하기위해 육안 검사와 시험 장비를 통해 평가됩니다 . 내부 품질은 적절한 성형, 용접, 표면 처리와 같은 일부 제작 요소와 제조 과정의 각 단계에서 엄격한 품질 관리에 따라 결정됩니다

수평형 유리 라이닝 저장 탱크에는 어떤 옵션이 있습니까?

선택할 수 있는 옵션이 여러 가지 있습니다. 일부 탱크는 대형 측면 개구부와 하프파이프 코일 재킷이 장착되어 있으며, 플랫폼, 난간, 사다리를 추가하여 접근성을 높일 수 있습니다. 또 다른 탱크는 가열 증발기가 장착되어 있어, 온도 제어가 필요한 작업에 적합합니다.

Jiangsu Gongtang Chemical Equipments Co., Ltd. Jiangsu Gongtang
유리 라이닝 장비 제조업체
바로가기
  • 회사 소개
  • 회사 둘러보기
  • 인증서
  • 전시회
  • 서비스 지원
  • 프로젝트 사례
  • 동영상
제품
  • 유리 라이닝 반응기
  • 유리 라이닝 저장 탱크
  • 유리 라이닝 기둥
  • 유리 라이닝 열교환기
  • 유리 라이닝 이중 뿔 건조기
  • 부속 장치
  • 통합 프로세스 시스템
문의, 연락처
chrisz.jsjjgt@outlook.com
+86-523-89110022
+86-15861003636