Jiangsu Gongtang Chemical Equipments Co., Ltd. Jiangsu Gongtang
  • 
  • 홈
  • 회사 소개+
    • 기업 개요
    • 회사 둘러보기
    • 인증서
    • 전시회
  • 제품+
  • 서비스 지원
  • 산업
  • 사례
  • 문의, 연락처
  • 동영상
  • 홈
  • 제품
  • 유리 라이닝 반응기
  • 유리라이닝 반응기, 폐쇄형
유리라이닝 반응기,  폐쇄형
4단 랙이 있는 유리라이닝 반응기

유리라이닝 반응기, 폐쇄형

네 개의 지지대 기둥 구조의 유리라이닝 반응기

폐쇄형 유리 라이닝 반응기는 화학, 석유화학, 제약, 염료, 식품, 농약 산업에서 널리 사용되며, 이러한 산업 분야는 안정적인 내식성과 내구성을 요구됩니다. 이 반응기는 높은 내식성, 일관된 안정성, 신뢰할 수 있는 작동을 제공하여 까다로운 공정을 견딜 수 있습니다.

  • 용량 범위: 50 – 80,000 L
  • 최대 압력: 최대 16 bar (대기압부터 고압까지)
  • 작동 온도 범위: –19 °C ~ 200 °C
  • 규격: CE / JIS / ASME / GB
견적 요청, 문의
유리라이닝 반응기,  폐쇄형
4단 랙과 퀵오픈 맨홀이 있는 30000L 대형 유리 라이닝 밀폐형 원자로
유리라이닝 반응기,  폐쇄형
퀵 오프닝 커버가 장착된 3000L 밀폐형 유리 라이닝 반응기
유리라이닝 반응기,  폐쇄형
태국 수출용 20,000L 유리 라이닝 반응기
유리라이닝 반응기,  폐쇄형
비표준형 이중 맨홀 유리라이닝 반응기
유리라이닝 반응기,  폐쇄형
4단 기둥 랙 구조와 수평 기어 모터가 장착된 유리라이닝 반응기
유리라이닝 반응기,  폐쇄형
4단 기둥 랙 구조, 퀵 오프닝 맨홀, 강화 플랜지가 장착된 유리라이닝 반응기
유리라이닝 반응기,  폐쇄형
수평 감속기와 4단 기둥 랙이 장착된 12,500L 유리 라이닝 반응기
유리라이닝 반응기,  폐쇄형
수직 감속기가 장착된 10000L 유리 라이닝 반응기

이 유형의 유리라이닝 반응기는 가열 또는 냉각용 재킷이 장착되어 있으며 교반기가 부착되어 있어 다양한 공정을 효율적으로 혼합하고 안정적으로 제어가 가능합니다. 반응기 상단에는 견고한 연결을 위해 용접 넥 플랜지가 장착되어 있으며, 고품질 수입 에나멜을 사용하여 내구성과 긴 사용 수명을 보장합니다.

내부 설계 압력은 최대 1.0 MPa까지 가능하며, 용량은 3,000 L에서 50,000 L까지 다양하게 선택할 수 있습니다. 재킷은 최대 0.6 MPa의 압력에 맞게 설계되었으며, 탱크와 재킷 모두 –20 °C에서 200 °C까지의 온도 범위 내에서 안전하게 작동할 수 있습니다

기술 사양
Design pressure Internal vessel Packing seal 0.2MPa
Mechanical seal 0.4MPa/1.0MPa
Jacket 0.6MPa
Design temperature Internal vessel -20℃~+200℃
Jacket -20℃~+200℃
Agitator speed Anchor type/frame type 63r/min
Paddle type 110r/min~130r/min
Impeller type 110r/min~130r/min
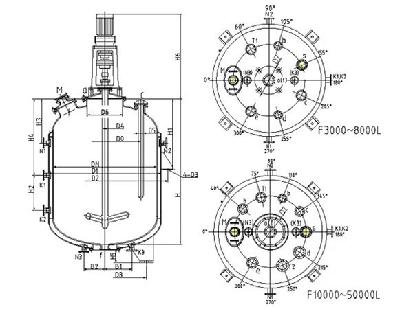
치수 도면
치수 도면
폐쇄형 유리 라이닝 반응기 치수 (mm)
Volume (L) 3000 5000 6300 8000 10000 12500 16000 20000 25000 30000 50000
Item
DN 1600 1600 1750 1750 2000 2200 2400 2400 2400 2600 2800 3200 3400
D0 1120 1220 1220 1220 1400 1540 1680 900 900 975 1050 1200 1500
D1 1750 1750 1900 1900 2200 2400 2600 2550 2550 2750 2950 3350 3600
D2 2029 2029 2200 2200 2502 3744 2940 2812 2812 3060 3335 3866 4378
D3 30 30 30 30 36 36 36 36 36 36 36 36 36
D4 φ95 φ95 φ95 φ95 φ110 φ110 φ110 φ110 φ125 φ140 φ160 φ160 φ180
D5 65×6 65×6 80×6 80×6 95×8 95×8 95×8 95×8 98×8 95×8 110×l2 110×12 125×12
D6 600 600 600 600 800 800 800 800 800 900 1100 1300 2000
D7 450 450 450 450 510 510 510 560 560 650 650 810 940
D8 1300 1300 1400 1400 1505 1645 1785 1785 1785 1925 2065 2345 |
H 2250 3275 2888 3244 3310 3513 3160 3495 3830 4640 5060 4900 6765
H1 1060 1160 1200 1200 1200 1300 1500 1300 1300 1400 1500 1750 2200
H2 / / 800 900 900 950 640 375 600 650 750 600 1700
H3 700 780 750 750 800 1300 1010 900 900 1000 1050 1150 1250
H4 1550 1710 1500 1700 1700 1850 1610 2000 2350 2500 2650 2650 2950
H5 200 200 200 200 355 340 315 315 315 330 250 240 /
H6 1454 1535 1535 1682 1702 1822 1822 1822 1822 2594 2594 2734 3260
B1 540 540 540 540 540 540 540 550 550 550 550 550 550
B2 370 370 370 370 370 370 370 470 470 470 470 470 470
Power (kW) 5.5 7.5 7.5 11 11 18.5 18.5 18.5 22 22 22 30 45
노즐 사양 (mm)
Volume (L) 3000 5000 6300 8000 10000 12500 16000 20000 25000 30000 50000
Item
DN 1600 1600 1750 1750 2000 2200 2400 2400 2400 2600 2800 3200 3400
a 150 150 150 150 200 200 200 200 200 250 250 250 250
b 100 100 125 125 150 150 150 150 150 200 200 / /
c 125 125 150 150 150 150 150 150 150 150 150 150 150
d 100 100 125 125 150 150 125 250 250 250 250 250 250
e 125 125 150 150 150 125 125 150 150 150 150 150 150
f 125 125 125 125 125 150 150 150 150 150 150 150 200
h / / / / / 150 150 150 150 200 200 200 /
M 300× 400 300× 400 300× 400 300× 400 300× 400 300× 400 300× 400 300× 400 300× 400 300× 400 300× 400 300× 400 300× 400
S 125 125 125 125 125 125 125 150 150 150 150 150 150
T1 100 100 125 125 200 200 200 200 200 200 200 200 250
T2 / / / / 150 150 150 150 150 200 200 200 200
N1-3 65 65 65 65 65 65 65 80 100 100 100 100 100
K1-3 65 65 65 65 65 65 65 65 65 65 65 80 80

유리 라이닝 장비용 액세서리도 제공합니다.

유리라이닝 장비에 대한 기술 지원이 필요하신가요?

저희 엔지니어들은 화학, 제약, 산업 응용 분야를 위한 내식성 유리 라이닝 반응기, 탱크 및 맞춤형 공정 장비에 대한 전문적인 기술을 제공합니다.

  • 관련제품
  • 그외 다른 제품
유리 라이닝 반응기, 개방형
유리 라이닝 반응기, 개방형
유리라이닝 반응기,  폐쇄형
유리라이닝 반응기, 폐쇄형
유리 라이닝 반응기, 하프 파이프 코일 재킷
유리 라이닝 반응기, 하프 파이프 코일 재킷
유리 라이닝 저장 탱크
유리 라이닝 저장 탱크
유리 라이닝 기둥
유리 라이닝 기둥
유리 라이닝 열교환기
유리 라이닝 열교환기
더 보기

개방형 유리 라이닝 반응기의 주요 구성 요소와 기능은 무엇입니까?

개방형 유리 라이닝 반응기는 용기 본체, 탈착식 커버, 밀봉 가스켓, 클램프 등 몇 가지 중요한 부품으로 구성됩니다. 밀봉(씰링) 가스켓은 커버와 본체 사이에 밀폐를 형성하는데 필요하며, 클램프는 이를 단단히 고정하여 반응기가 작동 중에도 단단히 닫히고 안전하게 유지되도록 합니다.

씰링 방식에 따른 설계 압력이 어떻게 달라지나요?

씰링 방법에 따라 내부 설계 압력이 달라집니다. 패킹 씰을 사용하면 설계의 압력이 0.2 MPa 입니다. 기계식 씰을 사용하면 구성에 따라 설계 압력이 0.4MPa 또는 최대 1.0 MPa 까지 가능합니다.

폐쇄형 유리 라이닝 반응기에는 운영 및 유지보수를 간소화하기 위해 어떤 특별한 구조적 특징이 포함되어 있습니까?

일부 유리 라이닝 반응기 모델에는 신속한 개폐가 가능한 맨홀 커버와 이중 맨홀 구조를 갖추어, 점검 및 유지보수를 보다 쉽게 수행할 수 있습니다. 커버는 버트 용접 플랜지를 사용하여 보다 더 강력한 연결을 보장하고, 추가 부품 설치를 간소화 하여 내구성과 실용적인 편의성을 제공합니다.

액체 가열 및 냉각 매체에 더 나은 열 전달을 하는 재킷은 일반 코일과 하프파이프 코일 중 어느 것입니까?

액체 가열 또는 냉각 매체로 작업할 때는 하프파이프 코일 재킷이 일반적으로 더 나은 열 전달 성능을 제공합니다. 일반 재킷보다 약 3분의 1정도 작지만 유속은 2~3배 더 빠릅니다. 하프파이프 코일 재킷의 경우 흐름이 빨라지면 재킷 내부의 불균일한 열 전달이나 내부 침절물 문제를 줄일 수 있습니다. 결과적으로 열이 보다 균일하게 분포되어 공저이 더 효율적이고 안정적으로 진행됩니다.

냉각수로 작동할 때 부식 방지에 적합한 재킷 설계는 무엇입니까?

냉각수를 사용할 경우 반 코일 재킷이 권장됩니다. 냉각수에는 부식을 가속화할 수 있는 H⁺ and Cl⁻과 같은 이온이 포함되어 있어 부식을 촉진할 수 있습니다. 일반 재킷에서는 침전물이 축적되어 이러한 효과가 악화될 수 있습니다. 하프 파이프 코일 재킷은 유속이 빠르기 때문에 침전물 축적이 최소화되고, 벽면 부식의 위험이 줄어듭니다.

하프파이프 코일 유리 라이닝 원자로가 유럽연합 수출을 위한 인증 요건을 충족합니까?

네. 유리 라이닝 반응기는 유럽연합 CE 인증을 받았으며 일본 JIS 기준, 미국 ASME 규격, 중국 JB 기준을 준수합니다. 이러한 인증을 바탕으로 EU 시장 수출을 위한 규정 준수 요건을 완전히 충족합니다.

Jiangsu Gongtang Chemical Equipments Co., Ltd. Jiangsu Gongtang
유리 라이닝 장비 제조업체
바로가기
  • 회사 소개
  • 회사 둘러보기
  • 인증서
  • 전시회
  • 서비스 지원
  • 프로젝트 사례
  • 동영상
제품
  • 유리 라이닝 반응기
  • 유리 라이닝 저장 탱크
  • 유리 라이닝 기둥
  • 유리 라이닝 열교환기
  • 유리 라이닝 이중 뿔 건조기
  • 부속 장치
  • 통합 프로세스 시스템
문의, 연락처
chrisz.jsjjgt@outlook.com
+86-523-89110022
+86-15861003636