Jiangsu Gongtang Chemical Equipments Co., Ltd. Jiangsu Gongtang
  • 
  • 홈
  • 회사 소개+
    • 기업 개요
    • 회사 둘러보기
    • 인증서
    • 전시회
  • 제품+
  • 서비스 지원
  • 산업
  • 사례
  • 문의, 연락처
  • 동영상
  • 홈
  • 제품
  • 유리 라이닝 반응기
  • 유리 라이닝 반응기, 개방형
유리 라이닝 반응기, 개방형
균형 탱크와 퀵 릴리즈 로드 빠른 막대 분리 설계를 갖춘 유리라이닝 반응기

유리 라이닝 반응기, 개방형

탈착식 상단 커버가 있는 내식성 반응 용기

유리라이닝 반응기는 실리카가 풍부한 유리 분말을 강제 용기의 내부 표면에 분사하여 제작됩니다. 이후 용기를 고온에서 소성하면 유리가 강철에 단단히 결합하며 내구성이 뛰어난 복합 구조를 형성합니다.

  • 용량 범위: 50 – 80,000 L
  • 최대 압력: 최대 16 bar (대기압 ~ 고압)
  • 작동 온도 범위: –19 °C ~ 200 °C
  • 표준 규격: CE / JIS / ASME / GB
견적 요청, 문의
유리 라이닝 반응기, 개방형
빠른 오픈 맨홀 커버가 적용된 6300L 개방형 유리 라이닝 반응기
유리 라이닝 반응기, 개방형
일체형 유리 라이닝 반응기
유리 라이닝 반응기, 개방형
맞춤형 급수 배수 연결 시스템을 갖춘 유리 라이닝 반응기
유리 라이닝 반응기, 개방형
균형 탱크가 적용된 특수 설계 유리 라이닝 반응기
유리 라이닝 반응기, 개방형
고정 배플이 있는 장착된 라이닝 반응기
유리 라이닝 반응기, 개방형
10,000L 개방형 유리라이닝 반응기

개방형 설계에서는 뚜껑과 용기 본체가 분리된 구조입니다. 뚜껑과 용기 사이의 연결부는 가스켓으로 밀봉하고 클램프로 조여, 운전 중에도 적절한 밀봉 상태를 유지합니다.

이 유형의 반응기는 유리의 내식성과 안정성에 강철의 강도를 결합한 구조입니다. 내부 표면은 매끄럽고 세척이 용이하며, 충격, 열, 마모, 화학적 부식에 강합니다. 이러한 특성 덕분에 오픈형 유리라이닝 반응기는 가수분해, 중화, 결정화, 혼합, 유화 등의 공정에 적합합니다.

개방형 유리라이닝 반응기는 화학, 석유, 제약, 농약, 식품, 염료 등 다양한 산업 분야에서 널리 사용됩니다. 다양한 사양으로 제공되며, 고객 요구 사항에 따라 맞춤형 디자인도 제작할 수 있습니다.

기술 사양
설계 압력 내부 Packing seal 0.2MPa
Mechanical seal 0.4MPa/1.0MPa
재킷 0.6MPa/0.8Mpa/1.0MPa
설계 온도 Internal -19℃~+200℃
Jacket -19℃~+200℃
교반기 속도 Anchor type, frame type 앵커 유형, 프레임 유형 63r/min
노(오어)형 110r/min~130r/min
임펠러 유형 110r/min~130r/min
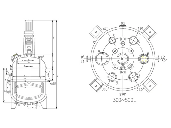
치수 도면
치수 도면
치수 도면
오픈형 유리 라이닝 반응기 치수 (mm)
Volume (L) 300 500 1000 1500 2000 3000 5000 6300 8000 10000
Item
D 800 900 1200 1300 1300 1600 1600 1750 1750 2000 2000
D1 900 1000 1300 1450 1450 1750 1750 1900 1900 2200 2200
D2 1032 1148 1488 1639 1675 2044 2044 2218 2218 2500 2533
D3 560 630 840 910 910 1120 1120 1225 1225 1400 1400
D4 720 810 1080 1180 1180 1440 1440 1580 1580 1800 1800
D5 350 350 400 400 400 450 450 450 450 510 510
D6 65 65 80 80 80 95 95 95 95 110 110
D7 23 23 30 30 30 30 30 30 30 36 36
H 800 1000 1200 1400 1745 1739 2700 2317 3025 3120 3460
H0 2530 2759 3222 3440 3785 4073 5115 4792 5850 5450 6270
H1 1050 1050 1240 1240 1240 1454 1535 1535 1535 1650 1700
H2 380 409 482 500 500 580 580 640 640 720 710
H3 260 270 300 330 330 330 330 330 330 420 355
H4 / / / 960 1335 1242 2000 1490 1700 2000 2650
H5 / / / / / / 700 420 700 900 880
H6 390 420 500 600 600 700 700 700 815 850 850
B1 / / / 507 507 614 614 550 550 550 540
B2 250 270 350 350 370 370 370 370 370 400 450
Power (kW) 1.5 3 4 4 4 5.5 7.5 7.5 11 11 11
노즐 사양 (mm)
Volume (L) 300 500 1000 1500 2000 3000 5000 6300 8000 10000
Item
a 125 150 300×400 300×400 300×400 300×400 300×400 300×400 300×400 300×400 300×400
b 100 100 125 125 125 150 150 150 150 200 200
c 65 65 100 100 100 100 100 125 125 200 200
d 80 80 100 100 100 100 100 125 125 150 150
e 65 100 100 125 125 125 125 125 125 125 125
f 65 125 125 125 125 125 125 150 150 125 125
g 65 100 100 100 100 100 100 125 125 150 150
h / / 100 200 125 125 125 150 150 125 125
K / / / / / / / / / 150 150
i 80 80 100 100 100 125 125 125 125 125 150
L1-L3 25 32 32 40 40 50 50 65 65 65 65
N1, N2 / / / 50 50 50 65 65 65 65 65
N3 / / / / / / 65 65 65 65 65

유리 라이닝 장비용 액세서리도 제공합니다.

유리라이닝 장비에 대한 기술 지원이 필요하신가요?

저희 엔지니어들은 화학, 제약, 산업 응용 분야를 위한 내식성 유리 라이닝 반응기, 탱크 및 맞춤형 공정 장비에 대한 전문적인 기술을 제공합니다.

  • 관련제품
  • 그외 다른 제품
유리 라이닝 반응기, 개방형
유리 라이닝 반응기, 개방형
유리라이닝 반응기,  폐쇄형
유리라이닝 반응기, 폐쇄형
유리 라이닝 반응기, 하프 파이프 코일 재킷
유리 라이닝 반응기, 하프 파이프 코일 재킷
유리 라이닝 저장 탱크
유리 라이닝 저장 탱크
유리 라이닝 기둥
유리 라이닝 기둥
유리 라이닝 열교환기
유리 라이닝 열교환기
더 보기

개방형 유리 라이닝 반응기의 주요 구성 요소와 기능은 무엇입니까?

개방형 유리 라이닝 반응기는 용기 본체, 탈착식 커버, 밀봉 가스켓, 클램프 등 몇 가지 중요한 부품으로 구성됩니다. 밀봉(씰링) 가스켓은 커버와 본체 사이에 밀폐를 형성하는데 필요하며, 클램프는 이를 단단히 고정하여 반응기가 작동 중에도 단단히 닫히고 안전하게 유지되도록 합니다.

씰링 방식에 따른 설계 압력이 어떻게 달라지나요?

씰링 방법에 따라 내부 설계 압력이 달라집니다. 패킹 씰을 사용하면 설계의 압력이 0.2 MPa 입니다. 기계식 씰을 사용하면 구성에 따라 설계 압력이 0.4MPa 또는 최대 1.0 MPa 까지 가능합니다.

폐쇄형 유리 라이닝 반응기에는 운영 및 유지보수를 간소화하기 위해 어떤 특별한 구조적 특징이 포함되어 있습니까?

일부 유리 라이닝 반응기 모델에는 신속한 개폐가 가능한 맨홀 커버와 이중 맨홀 구조를 갖추어, 점검 및 유지보수를 보다 쉽게 수행할 수 있습니다. 커버는 버트 용접 플랜지를 사용하여 보다 더 강력한 연결을 보장하고, 추가 부품 설치를 간소화 하여 내구성과 실용적인 편의성을 제공합니다.

액체 가열 및 냉각 매체에 더 나은 열 전달을 하는 재킷은 일반 코일과 하프파이프 코일 중 어느 것입니까?

액체 가열 또는 냉각 매체로 작업할 때는 하프파이프 코일 재킷이 일반적으로 더 나은 열 전달 성능을 제공합니다. 일반 재킷보다 약 3분의 1정도 작지만 유속은 2~3배 더 빠릅니다. 하프파이프 코일 재킷의 경우 흐름이 빨라지면 재킷 내부의 불균일한 열 전달이나 내부 침절물 문제를 줄일 수 있습니다. 결과적으로 열이 보다 균일하게 분포되어 공저이 더 효율적이고 안정적으로 진행됩니다.

냉각수로 작동할 때 부식 방지에 적합한 재킷 설계는 무엇입니까?

냉각수를 사용할 경우 반 코일 재킷이 권장됩니다. 냉각수에는 부식을 가속화할 수 있는 H⁺ and Cl⁻과 같은 이온이 포함되어 있어 부식을 촉진할 수 있습니다. 일반 재킷에서는 침전물이 축적되어 이러한 효과가 악화될 수 있습니다. 하프 파이프 코일 재킷은 유속이 빠르기 때문에 침전물 축적이 최소화되고, 벽면 부식의 위험이 줄어듭니다.

하프파이프 코일 유리 라이닝 원자로가 유럽연합 수출을 위한 인증 요건을 충족합니까?

네. 유리 라이닝 반응기는 유럽연합 CE 인증을 받았으며 일본 JIS 기준, 미국 ASME 규격, 중국 JB 기준을 준수합니다. 이러한 인증을 바탕으로 EU 시장 수출을 위한 규정 준수 요건을 완전히 충족합니다.

Jiangsu Gongtang Chemical Equipments Co., Ltd. Jiangsu Gongtang
유리 라이닝 장비 제조업체
바로가기
  • 회사 소개
  • 회사 둘러보기
  • 인증서
  • 전시회
  • 서비스 지원
  • 프로젝트 사례
  • 동영상
제품
  • 유리 라이닝 반응기
  • 유리 라이닝 저장 탱크
  • 유리 라이닝 기둥
  • 유리 라이닝 열교환기
  • 유리 라이닝 이중 뿔 건조기
  • 부속 장치
  • 통합 프로세스 시스템
문의, 연락처
chrisz.jsjjgt@outlook.com
+86-523-89110022
+86-15861003636